インベーダー型チョコレート「Chocolate Invader」

チロルチョコを並べただけじゃないよ。インベーダー型のチョコレートなんだよ!

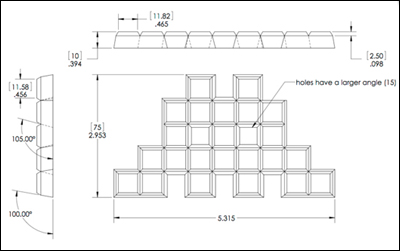
本気だからね、設計も完璧!

原料にもこだわるよ!
コスタリカ産カカオ66%のチョコレートさ!

フレーバーにも手抜きはしないさ!

インベーダー型に流しこんで

攻撃してくんなよ!

せっかくだから専用のパッケージに入れてできあがり!
$25-でニューヨークから出荷するよ!
本気度はわかりますが、やっぱりチロルチョコ並べればいいじゃないなんて思ってしまう。ネタとしてはビット感もあって面白いのですがね~
→Chocolate Invader
http://www.chocolateinvader.com/
- 2011-12-03 (土) 12:00
- Products




